Lorem ipsum dolor sit amet conse
Suntin culpa qui officia deserunt
Seddo eiusmod tempor incididunt
Français
Español
English
Français
Account
Connexion
Register
Categorías
Catégories
Catégories
ACCÉSSORIES OUVERTURE A LA FRANCAISE
Poignée de condamnation
Loqueteaux
Compas
Compases retenedores
AÉRATEURSAérateurs
Aireador interior autorregulable
Rejilla exterior
Aireador interior manual
ANTIPANIQUE
ACCÉSSORIE POUR BARANA
Sistemas Glass U
Pies de barandilla
Accesorios barandilla
Accesorios barandilla cristal
Pasamanos de aluminio
PAUMELLES
Pour gorge européenne
Série Nationale 40x20
Paumelles especiales
Camara europea 3ª hoja
Camara europea 4ª hoja
Camara europea puerta
40x20 3ª hoja
40x20 4ª hoja
CALES POUR VITRAGE
SERRURES
Monopoint
Multipoints
Cylindres
Options accessoires sérrures
Cerraderos
Abre puertas electricos
Cilindros de seguridad
Cilindros especiales
FERME PORTES
Avec rétention
Sans rétention
Ferme porte invisible
FERMETURES
Corte recto
Périmetrale
Crochets et Gâches
Con llave
Centrales
Otros cierres
CRÉMONES
Pour ouverture externe
Ouverture intérieure
Apertura exterior con llave
Apertura interior con llave
COULISSANT ÉLEVABLE ET OSCILLO BATTANT
ÉQUERRES
Équerres Européennes
Téton a blocage
A Ressort
Équerre d´alignement a 45º
Autres Équerres
BROSSE
Sans plastique
Avec plastique
T3 Band
Monoband
FIXATION POUR DORMANT
JOINT
Acristalar cuña
Moustiquaire
Marco central
Marco exterior
Junta hoja
Acristalar hoja
Angulos vulcanizados
Corredera
Antipinzadedos
KITS POUR COULISSANT
Kits pour coulissant a 45º
Guidés
Kits pour coulissant 45º
Autres Accéssoires
KIT COULISSANT COMPLET
Galet a boule
Galet avec douille à aiguilles
JALOUSIE FIXE
JALOUSIE ORIENTABLE
Mecanismos P-70 con rotary
Mecanismos P-70 con palanca
Mandos rotary P-70
Mecanismos palanca P-25
BÉQUILLES
Poignée 180º à carré de 7mm
Poignée
Recuperables especiales
Multifuncion con llave
Multifuncion especiales
Moustiquaire
Motores
Motores de cadena
Motores para ventanas correderas
Plsadores de persiana
Accionadores
Motores para proteccion solar
Motores de persiana
Otros
FERMETURE MULTIPOINT
Multipunto con gancho
Multipoint coulissant 45º
Options Accéssoires multipoint
Multipunto con microventilacion
OSCILLO BATTANTS
5100 MR
100 7000 MR
Galicube
Ween Master
Magi Cube
Courbé Giesse
Otros accesorios oscilos
Outlet
Outlet cierres de presion
Outlet mamparas
Outlet pasadores y cerraderos
Outlet bisagras
Outlet cierres
Outlet cilindros
Outlet cierrapuertas
Outlet tiradores
Outlet manillas
Outlet cremonas
Outlet ruedas
Outlet oscilos
ACCÉSSOIRES RÉPLIABLE
S/35-45
Conventional
Répliable Gorge Européenne
TRINGLES
ACCÉSSOIRES POUR OUVRANT A LA FRANCAISE
Autres Accéssoires
CE Pasadores cerraderos y kits
4020 Pasadores cerraderos y kits
Verrous
Verou
Contraventana
Apertura exterior en practicable
Puertas de Aluminio
Puerta Completa
Paneles
Cortavientos para puertas
PVC
Accéssoires pour porte d' entrée
PVC autres accéssoires
Osciloparalela
Répliable
Accesorios corredera PVC
Manillas PVC
Elevables PVC
Bisagras puertas jocker
Calzos acristalar
Calzos base
Uniones mecanicas
Rotuladores
Tapas inversoras
Tornilleria
Adhesivos y limpiadores
C16 otros accesorios
Esquinas soldables
Otros sistemas de apertura
Oscillo battant T&T
Oscilo WK
CHARIOTS TYPE C
Métalique
Zamak
Premium
Nylon
Confort
Sistemas de sellado
Cinta multifuncion
Silicona
POIGNÉES DE TIRAGE
Simples
Dobles
JOINTS
Varios
Trabaja con nostros
Trabaja 2
more_horiz
Liens
blog
Outlet
Zona Clientes
Trabaja con nosotros
Accueil
FERMETURES
Crochets et Gâches
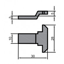
G CHE S 70000 ITESAL
G CHE S 70000 ITESAL
Código: 917
G CHE S/ 70000 ITESAL
Partager
Partager
Tweet
Pinterest
Description
Détails du produit
G CHE S/ 70000 ITESAL
Référence
917
16 autres produits dans la même catégorie :
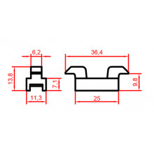
G CHE S 7180 ET ALUPROM 14
GACHE S 800 GV 75 C 9006 1 PG
CROCHET S PERIMETRAL C60 ALUPROM15
GACHE INOX 2.5 SYNCAR
G CHE S 800 SOPENA
KIT MICRO VENTILATION POUR COULISSANTE
G CHE S ANGLE 45
G CHE S 2300
G CHE S P92 S AL24 ELITE PUERTA C 9001
GACHES S 2300 S 400 ALUGOM
Les clients qui ont acheté ce produit ont également acheté...
CROCHET S 800 70000 V 82
CROCHET S PERIMETRAL
G CHE S ANGLE 45
PAUMELLE 1070.1 BLANCHE GAUCHE S RIE EUROP ENNE PLATINE ET AXE INOX
G CHE S/ 70000 ITESAL
arrow_upward